|
Identifying Fluid Contacts
Gravity segregation of fluids puts gas on top of oil (or water)
and oil on top of water in most reservoirs. The gas/oil or gas/water
contact is fairly sharp. The oil/water contact is usually gradational,
covering a few to many feet. The top of the transition zone is
the base of clean oil production. The base of the transition zone
is the top of free water. The length of the transition zone depends
on the permeability of the rock - lower permeability gives longer
transition zones.
Contacts in aquifer drive: Gas / Oil /
Water. Initial conditions (left)
and after some production (right) - Oil / Water contact rises.
Contacts
in gas expansion drive: Oil / Water. Initial conditions. After
some production Gas / Oil contact drops.

Oil water contact on depth plot (just above 1070 meters)
In
some wells, a tar mat exists just above the original oil/water
contact. There is little moveable oil in the tar mat. During production,
aquifer influx or water flooding can position water above the
tar mat, giving rise to an oil/water/tar mat/water profile.
In
tar sands, it is possible to have gas over water over oil, because
the oil is heavier than the water.
A
transition zone normally shows an increase in water saturation
and bulk volume water as depth increases, culminating in 100%
water saturation. An example from a Glauconitic Sandstone from
Alberta is shown at the left.
A
particular well may not penetrate the water zone due to the structure
of the trap. Some reservoirs have no water leg and thus no transition
zone and no water contact.
Infill
wells drilled into older reservoirs may encounter secondary gas
caps, deeper gas caps, or shallower water contacts that were not
present when the reservoir was discovered. Both current and original
contacts may be visible on logs, but differences between their
signatures may be very subtle. For example, a secondary gas cap
may contain immobile oil, reducing the amount of gas crossover.
Zones swept by aquifer influx will contain residual oil, so water
saturation will not be 100%. Zones swept by a waterflood are especially
difficult to detect because the injected water may be much more
resistive than the original formation water.
Running
and analyzing TDT or pulsed neutron logs to find water contact
changes over time is called reservoir monitoring. By combining
dated water contacts from both cased hole and open hole logs,
a clearer picture of reservoir performance can be obtained.
PORE GEOMETRY ISSUES
Identification
of transition zones is sometimes confused by changes in pore geometry
that give increasing water saturation with depth. Sands with increasing shaliness with depth also look like transition zones. There are
often differences of opinion as to whether the zone is getting
wetter because it is approaching a water contact or instead is
merely becoming wetter due to lower quality rock.
In
such cases, top of transition zone must be determined by drill
stem or production tests. Saturation cutoffs must be adjusted
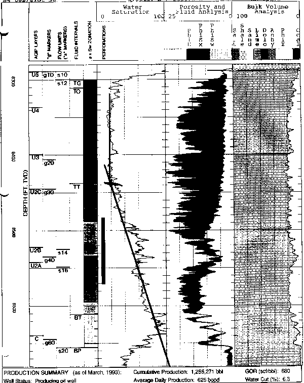
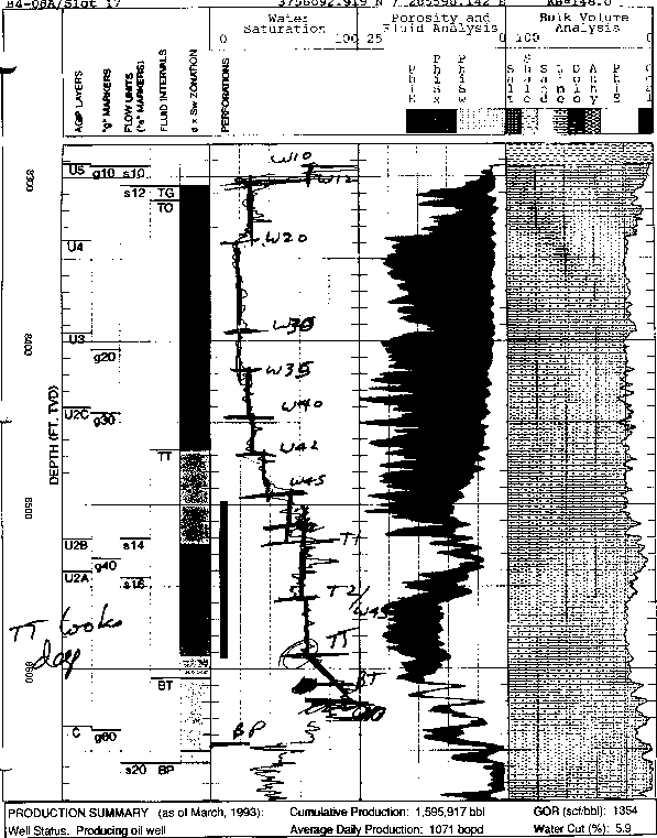
to agree with test results. The example shown below show two interpretations of the transition zone in a
complex reservoir. The producing interval is shown by the narrow
black bar near the bottom of the porous interval. Since water
cut is less than 6%, the second interpretation is the
correct one; the first interpretation would suggest a
much higher water cut from this perforated interval.

First interpretation shows long apparent transition zone. Perfs in this interval produce clean oil so
this cannot be a real
transition zone

Second interpretation with short transition zone adjusted
to agree with production data.
The
steps shown in the saturation curve represent pore geometry changes
caused by progressively increasing isolated vugs deeper in the
reservoir. The porosity times water saturation product defines
different "rock types' or pore geometry facies. These are
shown best in a porosity vs water saturation crossplot with different
colours indicate the different facies.

Porosity vs Water Saturation crossplot showing
different rock types tracing different hyperbolic trends.
RULES FOR PICKing Fluid Contacts
Fluid
contacts can be picked using the following rules:
1.
Gas/oil or gas/water contacts are picked at the point below which
gas crossover on the shale and matrix corrected density neutron
log disappears. Perforations just below this depth will produce
gas with water or gas with oil. Perforations above this depth
should produce mostly gas. Gas crossover on recorded logs can
be masked by shale or heavy mineral effects. The best way to look
for crossover in these cases is to create shale corrected logs,
rescaled for the density of the minerals in the zones and display
these curves on depth plots. In gas filled dolomite reservoirs,
this is the only way to see the gas crossover - such log displays
can be made in the field on the logging truck if you suspect gas
and dolomite might be present.
2.
Oil/water contact is at the depth where water saturation first
reaches (close to) 100%. This sometimes called the free water
level (FWL). Perforations below this point will produce 100% water.
This can usually be picked on the resistivity log where resistivity
reaches its lowest values in a clean, porous reservoir. Shaliness,
varying porosity, and residual oil, or bitumen may mask this pick.
A clearly defined contact in one well may be located in a shale
in an offset well.
3.
Top of transition zone is picked at the depth above which the
bulk volume water (and usually water saturation) becomes nearly
constant or reaches its minimum value. Perforations below this
point will produce oil with some water or 100% water if oil viscosity
is high. Water saturation in this zone may still be quite low
and may pass cutoffs. Since some of the oil in the transition
zone may be pushed upward by an active aquifer, some operators
count all this oil in their reservoir volume. Others count only
down to an arbitrary water saturation (say 50%) while others stop
counting at the top of transition or even higher. Water saturation
in the transition zone is above irreducible water saturation,
which is usually demonstrated by the production characteristics
or drill stem tests on these intervals. CAUTION: Top of transition
may be masked by changes in pore geometry or shaliness, as shown
in the example given above.
Perforating
too close to a gas/oil or oil/water contact will cause problems.
The drawdown pressure caused by production will allow gas to flow
down into perfs near the gas. Similarly, water can be drawn up
to co-mingle with oil production. Problems can be especially severe
in fractured reservoirs, and can be disastrous if management is
greedy or stupid about desired flow rates.
GAS / WATER -- GAS / DEPLETED GAS / WATER EXAMPLES
In
the example below, two wells are shown that are less than 100
meters apart. The wells are drilled for the bitumen sand but gas
and water may sit directly above the oil sand. The depth plots
are composite plots with GR and caliper in Track 1, resistivity
in Track 2 and density, neutron, and core porosity in Track 3 ad
4. THe vertical scale is highly compressed -- the grid lines are
5 meters apart.
 
Oil sand (both wells) with gas above water (top left) and partially
depleted gas (above right).
The older well (left) shows gas
crossover (shaded red) and moderate resistivity (shaded blue above
20 ohm-m) over 15+ meters of gas pay. Below is a water sand (low
resistivity and no crossover). Below that is the oil sand (high
resistivity, shaded blue). The gas-water contact is confirmed by the
base of the high resistivity and by the base of the crossover. If no
water zone was present, only base of crossover would indicate the
contact. Gas production was begun immediately upon well
completion.
Contrast this with the well on
the right, drilled 5 years later, but less than 100 meters away.
There is still crossover on the entire gas interval, but the high
resistivity covers only the top half of the zone. The lower half of
the gas zone now has low resistivity - it is wetter than before,
indicating that some of the gas has gone. Production from other
wells has partially depleted this reservoir. Crossover still exists
in the depleted zone because of residual gas.
In fact, residual gas
in a depleted zone is about the same as residual gas in an invaded
zone, so unless recovery factor is extremely high, depleted gas
zones may have some crossover, if they are clean enough to show
crossover at all. The gas-water contact is at the base of the high
resistivity and the base of the original gas zone is at the base of
gas crossover. There can be mid-zone gas in the bitumen interval as
well so keep your eyes open for the unexpected.
The water between the gas and oil
is called "top water" by the oil explorationist, to distinguish it
from the "bottom water" below the oil. Either or both of the gas and
top water zones may be missing in this region.
The moral of the tale is that gas
crossover can be misleading. First, prove it is gas and not bad hole
condition or sandstone on a limestone scale. Second, check that the
zone is resistive enough to still have a reasonably attractive water
saturation. Then test the zone to be sure.
|