|
Sedimentary Models
The study of sedimentary structures seems extremely complex at
first glance, but there are only a few major types (16 in fact)
of sedimentation patterns. These patterns can be represented by
a set of models which serve as a basis for interpretation and
comparison by log analysts.
Analysis
models of this type are amenable to processing by an expert system,
a computer programming style which allows a reasoned dialog to
take place between a user and the computer. Such a system was
described by Katherine B. Krystinik of USGS, in "An Example
Expert System For Computer Interpretation Of Depositional Environments",
USGS Open Report #85-30. The responses to previous questions dictate
which questions will be asked next by the system. As you can see,
the structured question and answer approach is modeled after the
thought processes of an experienced sedimentologist.
In
using the sedimentary models presented below, you should attempt
to create a similar logical sequence of questions and conclusions,
eliminating as many possible solutions as you can, until only
one answer remains.
|
Sedimentary
Structure Analysis - Step-By Step Approach |
1.
lithology (shale, shaly sand, clean sand, carbonate,
evaporite)
2. shale content (laminated, dispersed, amount, distribution)
3. dip spread (energy level, water depth inferences)
4. bedding angle (steep, shallow, energy level inferences)
5. bedding type (planar, festoon, nonparallel, environmental
inferences)
6. bedding frequency (thin, thick, massive, cyclic,
seasonal)
7. overall curve shape (fining, coarsening, cylindrical,
smooth, serrated, combinations)
8. internal structure (minor curve shapes within larger
ones)
9. dip patterns (regional dip removal, absolute red
and blue patterns, internal dip patterns or cycles)
10. deductive interpretation (what do the environment
and dip patterns mean)
|
|
Additional
hints on interpretation techniques are listed in below,
taken from Ed Bigelow's masterful paper "Making More Intelligent
Use of Dipmeter Data", The Log Analyst, Jan 1985. Examples
and quality control methods are also covered in that paper, which
is highly recommended reading.

Ed Bigelow's flowchart for stratigraphic analysis
of dipmeter data
The following sections review each model in detail, and give analysis
rules and examples for comparison with your own work. The majority
of the examples and some of the descriptive material was taken
from "Reservoir Delineation By Wireline Techniques"
by J. F. Goetz, W. J. Prins, and J. F. Logan, published in The
Log Analyst, June, 1977.
Readers
interested in more detail than can be presented in this Chapter
may wish to study "Sedimentary Environments From Wireline
Logs" by Oberto Serra, published by Schlumberger, 1985; a
211 page review of the subject. This book is packed with examples
and amplification of the sedimentary models presented here. Some
of the following sections were condensed from this reference.
Glacial Deposits
Glaciers are often thought of as modern deposits, but glaciated
terrain is present in the subsurface as far back as late Ordovician
time, with numerous periods of glaciation scattered throughout
the geological time scale. Glaciers leave moraines and drumlins
on the surface and delta/varve complexes in glacial lakes. Moraines
and drumlins are not stratified and no legitimate dips are likely
to be present. Spread in dip angle and direction will be large.
Varves
are very thin, roughly horizontal layers deposited in a glacial
lake bottom from debris rafted out by the ice. At the edge of
the lake, distributary channels deliver sediment to delta type
deposits with typical delta front foreset beds. Dipmeter patterns
look like delta front distributary mouth bar patterns, but bedding
planes are very close together. These occur only behind a receding
ice front. Advancing ice will scour away any evidence of the lacustrine
delta. A schematic drawing of a glacial lake
environment and a typical dipmeter in a glacial environment
appear below.

Stratigraphic model and dipmeter in glacial
environment
Alluvial
Fan and Scree Slope Deposits
Alluvial fans are composed of rock fragments, gravel, sand, and
mud washed down from a steep slope onto a flatter surface. Boulders
and coarse materials settle to the top to form a generally coarsening
upward sequence. Transportation is by both water and gravity.
Debris falls dominate on steep slopes. Water channels alternately
erode and deposit downstream, making a very erratic depositional
sequence over short intervals.
Alluvial
fans are long in the down slope direction and very narrow. Thickness
varies from a few hundred to several thousand meters. Dip angle
is high and scattered. Dip direction is not a good indicator of
body geometry. The lower reaches of the fan may grade into a braided
stream environment.

Stratigraphic model and dipmeter in scree slope
environment
Sand Dunes
There are three major types of dunes: transverse, barchan, and
seif dunes. Each has a distinctive cross section or cross-bedding
pattern. Parabolic dunes are similar to a single lobe of a barchan
dune.
Wind
blown dune deposits are often difficult to distinguish from those
laid down by water. The mechanics of both processes are quite
similar. Although we normally think of dunes as occurring in a
desert environment, they often form on beaches and barrier bars,
as well as on continental deposits exposed to the air, as in present
day Saskatchewan and many parts of North Africa and China. Thus
some sediments may go through a wind phase before being finally
deposited by water. The dune portion of a barrier bar will be
eroded at the top by wave action; this may be repeated many times.
Generally,
eolian sands are better sorted than aqueous ones, leading to uniformly
high porosity and permeability. This makes them excellent reservoirs
if they come in contact with source rocks. Some prolific North
Sea oil pools are sand dunes.
As
dunes migrate, sand grains are carried up the windward slope and
then roll down the slip face. This results in cross-bedding with
enormous set heights. As seen at a borehole, cross-bedding is
tabular, high angle, and consistent in magnitude through the height
of almost the entire dune. Consistent cross-bedding for intervals
of up to 100 feet is common and this distinguishes eolian sands
from all others. It is also characteristic that individual dunes,
as seen in a borehole, bear no relationship to one another nor
to the paleoslope. Wind direction is in the direction of steepest
dip and sand body elongation is at right angles to wind direction.
Curve
shapes are normally cylindrical with funnel shaped bases, the
latter being the wadi facies of a dune complex.

Stratigraphic model and dipmeter in sand dune
environment
Braided Stream Channels
Braided stream deposits are the result of an interlaced network
of sinuous channels exhibiting flood stage scouring and subsequent
channel filling. A channel is no sooner cut than it chokes on
its own detritus. This is dumped in the form of bars in the center
of the channel around which two new channels are diverted.
The
process is similar to alluvial fan deposition, but occurs on flatter
ground and gravity falls of debris are not usual. Braided stream
channels cover a large depositional area. They are straighter
than meandering streams and rivers, which are formed on flatter
terrain.
Stratigraphic model for braided stream environment 
Braided
stream alluvium is composed of moderately sorted sand and gravel
deposits to the exclusion of silts and clays. When sediments are
well sorted, braided stream deposits show little variation either
vertically or laterally. Both porosity and permeability are high,
forming excellent reservoirs. This textural sequence gives rise
to cylindrical curve shapes when no silt is present and serrated
shapes when silt is present. A fining upward sequence at the top
of each depositional cycle is common. As a result, curve shapes
may show numerous individual patterns which are not correlatable
between wells. This feature is shown schematically below.

Dipmeter in braided stream environment
Silt
is generally deposited in abandoned channels, giving rise to obvious
dipmeter channel patterns which are, unfortunately, not very good
reservoirs. The shale content indicators show this without difficulty.
Water
flow during deposition is highly turbulent, resulting in trough
or festoon type current bedding. Dipmeter results are erratic
in both dip angle and direction because of non-planar bedding
surfaces and incomplete depositional sequences. Dip angle varies
between zero and 35 degrees while direction may vary up to 180
degrees, but usually remains within a 90 degree arc, which reflects
downstream direction and the direction of elongation of the sand
body. Planarity rating of dip results are low. GEODIP and SYNDIP
presentation assist in recognizing the non-planar beds.
Meandering
Stream Point Bars
Point
bars are formed in the inside of bends in rivers and streams,
where the current slows. down and drops out some of its sediment
load These bars are small, and difficult to find
due to the meandering nature of the original river. They are attractive
exploration targets because their reservoir characteristics are
usually good.
Stratigraphic model and dipmeter in meandering stream environment
The
Mississippi River is a modern example of such a stream. Point
bar deposits are also called lateral accretion deposits.
At
the base is an erosional surface overlain by pebbles and a sequence
of sands with an upward decrease in grain size. Coarse festoon
cross-bedded sands grade up into tabular cross-bedded sands of
diminishing set height. These in turn grade into flat bedded fine
sands and then into silts. This sequence gives rise to bell shaped
curves.
The
reservoirs do not take the form of the meander channel but rather
that of curved, tabular wedges of sand occupying a large portion
of the meander belt. These may be separated from each other by
abandoned channel or oxbow lake facies, filled with silt. The
meander belt can be up to 20 times the width of the stream.
Repeated
reworking of the deposits within the meander belt winnows the
fine grained material and results in a progressive downstream
decrease in grain size. It also results in interrupted sequences
and stacking of several of the basal coarse grained parts. Repeated
fining upwards patterns (bell shaped) with a coarse grained zone
of variable thickness at the base of each cycle is common.
Dip
magnitude will be erratic and high angled at the base in the festoon
bedded sands, progressively becoming more consistent and flatter
upwards in the tabular beds. Because of the wide swing in the
direction of the depositing currents and the type of current bedding,
a variation in dip direction of 180 degrees is normal. The average
dip direction should reflect the overall downstream direction
of the meander belt and the trend of the separate reservoirs.
Channel Cut and Fill
Another type of stratigraphic trap is formed by deposition within
a river valley, usually called channel fill or valley fill sandstones.
Meandering streams or delta distributary channels fill with a
sequence of cross-bedded sands, with the thickest cross-beds,
and the steepest dip angles, near the basal scour surface. There
is an upward decrease in the thickness and angle of cross-bedding.
Channel fill is also called vertical accretion.
Drape
over the top of these sand bodies is not usually present. The
channel fill itself, however, may drape or sag towards the axis
of the valley. The drape within the channel, depicted schematically
below, should not be confused with drape ABOVE reefs
or bars. Check the curve shape or lithology log to verify that
the drape is inside the channel.
 Stratigraphic model and dipmeter in channel cut and fill
environment.
Foreset
beds within the channel, shown at left, mask the drape
effect.
Channel cut and fill environment 
The
red patterns still point to the center of the channel, and blue
patterns point downstream. Pattern frequency azimuth plots are
useful for sorting out these directions. Curve shapes are cylindrical
or serrated cylindrical, depending on silt or shale deposition.
Bars
and channels can be mistaken for each other on logs and cross
sections. In the case of a stream channel, the cross section of
the sand deposit has it's greatest width at the top and a base
that is convex downward. The sand bar has a cross section that
is widest at the base, relatively flat at the bottom, and a top
that is convex upward. Dipmeter data will usually resolve the
two cases. The channel may have drape within the sand body; the
bar may have drape above the sand body.
Delta Distributary Channels
The meandering streams of the plains areas grade into delta distributary
channels in the exposed delta areas. These channels are relatively
straight and are cut into young, soft sediments. Natural levees
formed of clays and silts contain the channel in a fixed position.
By
blockage of the mouth or shifting of the stream above, stream
velocity may drop and deposition will occur. The depositing material
is coarse grained and well sorted. Normally more coarse material
is found at the base and there is a general fining upward. However,
in many cases, the entire channel becomes clogged with uniform
sands. These give rise to characteristic cylindrical curve shapes,
possibly grading into bell shaped at the top.
Dipmeter in delta distributary front environment
The infilling of a distributary channel is a rapid process and
there is no further reworking of the infilling sediments. Current
bedding therefore reflects stream energy and direction at the
time of deposition. Current bedding near the base is usually of
the festoon type. Measured dips are erratic near the base, sometimes
grading upward into more consistent dips near the top. The direction
of the channel and thus the direction of sand elongation, is given
by the average of the current bedding directions.
When
drape occurs in the channel, the dips point at right angles to
the strike. These relatively low angle dips, when observable,
are due to channel cutting, and arise from the channel base changing
in a series of progressively shallower concave surfaces as infilling
proceeds.
Unlike
braided or meandering stream deposits, which are quite wide due
to lateral migration of the channels, distributary channel fills
will produce long, narrow reservoirs, often with very thick sections.
Distributary
channels sit within a delta front sequence (described in the next
section), and the channel fill curve shapes will be contiguous
with delta front shapes immediately below. The distributary front
is characterized by foreset beds (blue patterns) below the base
of the channel. A reworked sand may separate the two, defined
by random dips. Two examples are shown below.
Dipmeter in distributary channel
- distributary front environment
Delta Front Distributary Mouth Bars
Deltas are a special form of stratigraphic trap and were deposited
by ancient rivers. They have quite complicated geometry.

Sedimentary model in delta environment
There
are three main types of deltas:
1. bird's foot or elongate, laid down with little reworking of
sands by ocean current. These are termed constructional deltas.
2. estuarine or lobate, laid down with some reworking by ocean
currents and wave action.
3. arcuate or cuspate, laid down with considerable reworking by
ocean currents and wave action. These are termed destructional
deltas.
The arcuate
delta appears to be the most important as a potential oil trap.
Several Pennsylvanian sand fields in Oklahoma are deltaic in origin,
as are many of the offshore Gulf Coast fields.

Three types of delta
The
form developed by a delta depends on the sediment load and the
relative strengths of fluvial and marine processes. Where river
currents clearly dominate, a highly constructive bird's foot delta,
such as the modern Mississippi, will form. These are characterized
by elongate bar fingers containing the distributary channels.
Where marine processes such as longshore currents are more powerful,
a cuspate type delta will develop. An example is the modern Baram
delta of Brunei-Sarawak. This type of delta has few distributaries
and grows by pro-grading wave generated beaches. A more balanced
situation results in a lobate delta form such as the modern Niger.
A
cross section of a pro-grading delta front in a highly constructive
situation is shown in the bottom half of the above illustration. This shows
the relative positions and the lithologies of delta front deposits.
A highly constructive delta is most favorable to the formation
of distributary mouth bars or delta bar fingers. These are sands
and silts dropped in front of the mouths of distributary channels
which suffer little or no reworking by wave motion. The river
currents are the principal factor in determining sand body geometry.
Sand bodies usually take the form of elongate or lobate masses
extending outward from the river mouth.
Dipmeter in distributary mouth bar environment
Distributary
mouth bar sands are relatively fine grained and moderately sorted.
However, curve shapes reflect a general coarsening upward in a
highly serrated funnel type configuration. The serrations arise
from thin shale layers laid down in times of low water flow.
Current
bedding is normally tabular and dips in the seaward direction,
perpendicular to the strand line, unless deflected by longshore
currents. The current bedding dips in the direction of sand elongation.
The cross-bedding angle is steepest at the top of the sand unit
and decreases downward (a blue pattern). Individual sand units
are normally relatively thin. It is not uncommon to have a distributary
channel cutting through the top of a distributary mouth bar (a
red pattern on top of a blue pattern).
 
Dipmeter in distributary mouth bar
environment
Distributary
fronts vary in shape and size due to differences in transport
speed and volume, and the interference of the ocean. Long narrow
fronts, as may be found in a bird's foot delta, have a relatively
high spread in the dip angles of the foreset beds, usually greater
than 10 degrees. More compact or fan shaped fronts have dips in
their foreset beds of less than 10 degrees.
Tidal
Channel Deposits
Certain delta areas are strongly dominated by tidal forces. In
this case, rather than the distributaries building outward, the
effect of tidal currents is to form indentations at the location
of each distributary mouth. The modern Mahakam delta is an example.
The outer reaches of the distributary channels are subject to
tides and there is significant mixing of river and sea water.
Narrow
estuaries develop elongate sand bodies with characteristics similar
to those of distributary channel fills except that cross-bedding
may be bimodal, that is, cross-beds dip both toward and away from
the sea in alternating layers.
On
the other hand, very wide estuaries create tidal flats which contain
some sand, but are often predominately mud. Deposits formed in
wide tidal estuaries tend to be a grouping of roughly parallel
elongate sand bars amid silts and muds.
In cross section, the profile shows coarse sands at the base,
grading erratically upwards into shales, with a serrated bell
curve shape.
Sedimentary model and dipmeter in tidal flat environment
If sediment flow is sufficient, tidal ridges are formed, parallel
to the direction of flow. These have coarse grained tops, and
generally coarsening upward or cylindrical patterns. Sand body
elongation in both cases is in the direction of the tidal currents,
indicated by the predominate dip direction in the sand.
Beaches
and Shoestring Sands
When a sea invades an area, several beach sands may be laid down.
In the subsurface, these become preserved as long narrow sand
bodies, sometimes called shoestring sands, although this term
may also be used to describe channel fill sands. Typically, beach
sands are upward coarsening, regressive type sequences. These
give rise to smooth funnel shaped curves on logs. Beach sands,
in their upper sections are normally very well sorted and may
form cylindrical curve shapes over a fairly thick section.
Each
sand is a separate reservoir, and several producing trends may
develop. Such trends can extend for many miles with production
confined to the regional noses or highs. The Cotton Valley sands
in north Louisiana produce along a trend of over 100 miles.
Where
drilling is sparse, it may appear that the different beach sands
are all the same sandstone body. After sufficient drilling, these
apparently blanket sands usually break up into their respective
components. Drilling and production decisions will be drastically
altered if multiple sands are mistakenly identified as a single
sand.
Current
bedding reflects the wave action showing gentle, tabular, unimodal
cross-bedding, with lower angle dips at the base and steeper at
the top of the sand. The direction of cross-bedding is seaward,
normal to the direction of elongation of the sand body. Beaches
cannot be distinguished easily from distributary mouth bars by
dipmeter data. Stacking of several beaches is common and both
regressive (funnel shaped), transgressive (bell shaped), and cylindrical
curve shapes are possible.
In
rare cases, overlying shales may show some draping dip. This dip
points in the direction of seaward pinchout, but in practice it
probably occurs over surfaces which have been cut by erosion,
and therefore may not indicate the coastline orientation.
As
mentioned, beaches generally give rise to long, narrow sand bodies.
On the other hand, deltas dominated by longshore currents create
beaches which tend to form to the side of, and between, distributary
mouths. As the delta progrades, sheet sands are formed with regressive
characteristics and low angle, tabular cross-bedding. These are
sometimes broadly classified as delta front sands. Log curve shapes
and dip data cannot distinguish between these sheet sands and
narrow beach sands.
Basal
Unconformity Sands
A particular type of beach sand deposit is one variously known
as a basal unconformity sand, strike valley sand, or drowned topography
sand. This type of deposition originates on erosional surfaces
which are fairly rugged in profile and have undergone a rapid
transgression. Low lying areas will tend to collect unsorted detrital
material. Sands develop on the flanks of the erosional highs where
wave energy has been sufficient to clean up the sediments. Thus
sands tend to follow the outlines of the erosional surface, often
developing on both sides of old erosional channels. One of the
best known examples is the Granite Wash sands of north central
Alberta, which are often small reservoirs separated by bald Precambrian
highs.
Basal
unconformity sands have stronger cross-bedding angles, proportional
to the topographic relief. In addition, there is usually draping
dip due to differential compaction in the overlying beds. Draping
dips point away from the local high on the erosional surface.
Granite wash sands typically exhibit this behavior. These sands
are composed of granite fragments, feldspar, quartz, and silt.
They do not have very good curve shapes due to the radioactive
elements affecting the gamma ray log and the impermeable granite
affecting the SP. The density log curve shape or a well computed
lithology log using natural gamma ray spectral and photoelectric
data may do the job.
Offshore
Bars and Barrier Bars
Offshore bars develop in the area where waves break near the shore.
The incoming water rapidly loses energy thus dropping its sediment
load. Bars grow parallel to the shoreline. On the seaward slope,
bars very closely resemble a beach deposit in that they are upward
coarsening and cross-bedding is gentle and tabular. The direction
of cross-bedding is normal to sand body elongation. As long as
the bar remains submarine and is overwashed, dips on the landward
or lagoonal side are much stronger, reaching 25 degrees in the
cleaner sands.
With
an adequate supply of sediment, a bar becomes emergent, forming
a barrier. Barrier bars have gentle dips on both sides and are
often associated with coal swamps or evaporitic lagoons on the
landward side. The barrier bar is formed by regression of the
shoreline, and contains three fundamental units:
1. upper cross-bedded sandstone unit
2. intermediate shale, silt and fine sandstone unit
3. a basal shale and silty shale unit
These
units can usually be identified on logs by the coarsening upward
(funnel) curve shape. If sequence is surrounded by shales, the
shale may undergo more compaction than the sandstone of the barrier
bar. This differential compaction, or drape, over the sand bar
is noticeable on dipmeter data or on well to well correlations,
and is a strong clue to following the bar for future drilling.

Sedimentary model in barrier bar environment

Dipmeter in barrier bar environment
Marine Shelf Sands (Blanket Sands)
Blanket sands originate on large, shallow shelf areas, such as
the present Bering Sea. A plentiful supply of sediments and a
persistent energy condition, such as a slow steady current, is
required. In addition, most of these sands are the result of repetitive
regressive-transgressive sequences. In many cases, shelf blanket
sands end up with a regressive sequence and develop bar deposits
at the top.
There
is no good standard type section for marine shelf sands. The shelf
sands themselves usually have a rounded base and rounded top on
the gamma ray or SP log, but stacking of these sands, and reworking
of the top into bars makes the patterns difficult to spot. Erratic
dips at the top surface due to ripples, scouring, and animal burrows
or tracks may be visible. Sorting may vary from good to poor.
Curve shapes, on the average, will exhibit a serrated combination
funnel-bell appearance. Current bedding is low angle and polymodal
or random.

Dipmeter in marine shelf (blanket sand) environment
These
true blanket sands should not be confused with beaches and bars
(which are sometimes called blanket sands), as their curve shapes
and dipmeter patterns are very different, not to mention the reservoir
extent and quality.
Marine
Shelf Carbonates
The character of log curve and dip plots on shelf carbonates is
very dependent upon the degree of shaliness. Massive limestones
give rise to cylindrical or straight line gamma ray curves; interbedded
shale creates a serrated effect. Dips measured in massive limestones
are likely to present an incoherent pattern, being mainly the
result of vugs and fractures. To be able to measure meaningful
dips, it is necessary to have recognizable bedding planes which
are mainly due to variations in shaliness. The degree of bedding
is revealed by the character of the dip plot or the GEODIP correlation
lines.
In
subtidal marine carbonate detrital sections, detailed dipmeter
analysis is fruitful if the data is of good quality. Usually the
GEODIP program is necessary. Red and blue patterns have their
usual relationships to transgressive and regressive behavior,
but they will often be very short patterns due to the slow depositional
process this far offshore. Dip direction is unimodal, in the deepening
(usually thinning) direction. Direction of elongation is perpendicular
to dip direction.
Dipmeter in marine shelf (blanket carbonate) environment

Bell
and cylindrical curve shapes usually correlate to red patterns,
and bell shaped to blue patterns. However the shapes are not taken
from the usual gamma ray and SP logs. They are taken instead from
the dipmeter microresistivity curves. Any one of the 4 or 8 curves,
or the resistivity correlation curve, will do.
Reefs
and Carbonate Banks
Reefs are carbonate buildups of skeletal organisms which had a
rigid framework forming a topographic high on the sea floor. Banks
are carbonate buildups such as oolite shoals, coquina beds, or
crinoid debris, also forming topographic highs. These definitions
roughly correspond to bioherm and biomstrome reefs.
Present
day reefs occur mainly in shallow tropical seas. Reef growth requires
sunlight (clear water, shallow depth), oxygen (rough water), food
supply, and a favorable temperature. Fringing reefs are linear
and stretch parallel to the coast with no intervening lagoon.
Barrier reefs are similar but a lagoon separates them from the
land. Atolls are subcircular reefs enclosing a lagoon often built
around a sinking volcano.
The
seaward or fore reef edge of a reef is normally quite steep and
may form a talus slope of reef detritus at its base. Cross-bedding
dips pointing away from the immediate reef high can be measured
in this detrital wedge. The back reef, or quiet lagoonal side
of the reef, is made up of very fine grained material, interbedded
with calcareous mud and may show relatively flat beds or no bedding
at all on the dipmeter.
 Sedimentary model in marine reef carbonate environment
After
reef organisms are killed due to some change in conditions, the
reef mass may be buried in mud. Overburden weight causes compaction
in the muds leading to sizeable draping dips. Compaction may be
as great as 50%, generating draping dips as high as 30 degrees.
Draping dips point down, away from the reef buildup.

Dipmeter in marine reef carbonate environment
- note drape above
reef and poor quality or random dips inside
reef.
A
rule-of-thumb has been established to determine the reef shape.
In the first case, compaction contemporaneous with deposition
is characterized by low resistivity shales exhibiting a gradual
buildup of dip versus depth. Here, reef front angle equals maximum
draping dip plus 10 degrees. If compaction is mainly after deposition,
characterized by a fairly constant draping dip in the overlying
shale, then reef front angle is about twice the maximum draping
dip. In some areas of the world, such as northern Alberta, salt
solution around the reef accentuates drape, and the above rules
do not apply.
Reef
porosity is extremely variable and follows no particular pattern
versus depth. The biolithic zones, or reef core, will normally
be the most porous. All three usual rock types, biolithite, calcarenite
(fore reef), and calcilutite (back reef) may develop porosity
in the form of vugs, fractures, and dolomitization. Porosity curve
shapes are therefore not very predictable, but the gamma ray will
be cylindrical. The SP usually will not have a meaningful shape
due to the effect of nearby impermeable carbonates. The percentage
of dolomite can be determined by porosity log crossplots and calcarenite
(limestone matrix) can be distinguished from calcilutite (quartz/chert
matrix) in the same manner.
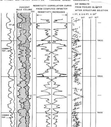
Turbidite
Slumps
Density or turbidity currents, caused by suspensions of mud and
sand that periodically travel downslope along the sea bottom,
are the principal mechanism for transport of silt and sand into
deep water basins. The deposits are called turbidites
in North America but are usually called Bouma deposits in Europe.
These currents result in thick sequences of marine terrigenous
sediments consisting mostly of cyclical interbedded shale and
argillaceous, poorly sorted sandstones. Most of the sandstones
exhibit graded bedding and evidence of scouring.

Sedimentary model in deep water turbidite sand
environment
Turbidite
deposits can be tabular, elongate, or fan shaped. Individual sand
beds are poorly sorted, but the upward fining of grain size produces
roughly bell shaped log curves for each cycle of deposition. Rhythmic
alternation of graded beds with shales produces a stacking of
numerous similar curve shapes.
A
characteristic of turbidites, in spite of being a high energy
deposit, is the absence of appreciable cross-bedding. Dipmeter
results will therefore show little variation from structural dip,
and will not be very helpful in defining sand body geometry.
Below are LOC DIP results for a sand turbidite sequence and another
from a carbonate turbidite.

Sedimentary model in deep water turbidite sand
environment
Turbidites
deposited in deep marine basins may be interbedded with muds which
can be hydrocarbon source rocks. However turbidite sands do not
generally make good reservoirs because poor sorting and clay matrix
inhibit porosity and permeability. The thin bedding of turbidite
sands and the intervening shales make reservoirs numerous, but
thin and disconnected.
|